应用案例——水行业智能曝气控制系统
发布时间:2024-11-08
来源: TOPHICON 中拓合控
浏览量:2469

先进过程控制(APC)是区别于传统过程控制方案的控制理念与方法的一个统称。它涉及多种先进控制,比如模型预测控制(MPC),软传感器、神经网络、模糊控制等。本文介绍一种利用 西门子PCS 7 /AS 410-5H的内置式MPC控制器,完成污水行业精确曝气APC的应用案例。

PCS 7支持的可扩展MPC功能,最多支持10 x 10的输入和输出,模块基于相关历史数据,根据性能和鲁棒性计算出的建议参数,输出模型近似的一阶+滞后时间传递函数,并调整识别模型,工程师可以对比和判断模型识别度,通过阶跃响应预判模型的响应特性,优化调整参数以获得理想的对象模型。

MPC组态工具

针对水行业的生化池曝气控制,MPC的输入主要包括:氨氮、溶解氧、进水量、MLSS、管路压力、水质COD、水质PH、气水比(进气量)等;输出主要包括:总进气量、回水量,风机排序,平稳度系数、损失系数、各曝气池阀门开度等。

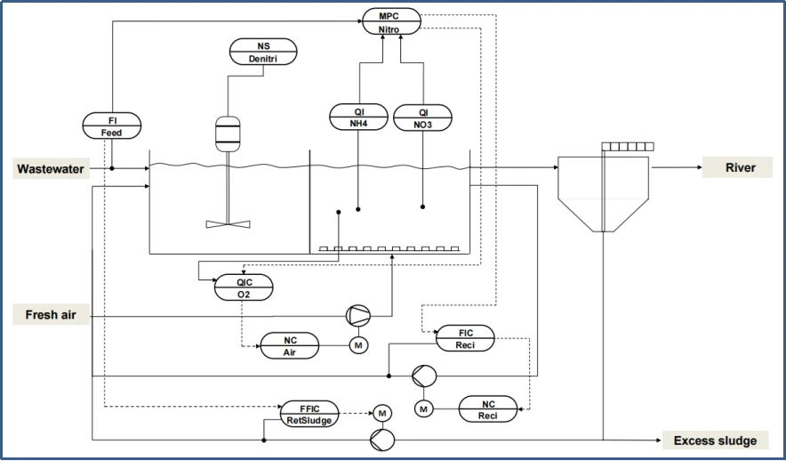
单生化池曝气控制逻辑图

MPC介入曝气控制后,融合水行业多年积累沉淀的工艺机理算法模型,就可预测出当前水质状况和负荷下对应的进气量作为MPC的一个输入端的随动设定变量,这样可以大幅减小进水水质对控制系统的干扰和影响,提升系统运行的平稳度。

由于样本的覆盖性不完整,预测控制的优化过程不是一次性离线完成的,加上系统和工艺环境因素的漂移和干扰,可能会引起的控制性能问题,为了更好的修正误差,增加在线辨识校正模型的能力,我司在基于PCS 7 MPC系统之上,在决策层叠加西门子的SiePA软件(可选配),将底层运行相关的时序数据,通过OPC UA的方式,上载到SiePA软件,对时序数据进行学习训练,动态优化相关的参数,进一步调整模型,形成相关的系统知识库。

SiePA模型校验和滚动优化

中拓合控成功将此系统运用在日处理量4w吨的污水处理厂,达成生化池连续168小时曝气无人工干预;出水指标检测合格率100%;风机整体能耗降低约3%,助力水行业节能降耗。